Aangepast Cilindrische rollagers met vier rijen Fabrikanten, leveranciers

Cilindrische rollagers met vier rijen

Thuis / Producten / Cilindrische rollagers / Cilindrische rollagers met vier rijen

Categorieën

Hoe kunnen we u helpen?

Wij zijn een betrouwbare partner die onze expertise omzet in succes voor uw project.

+86-574-86597612

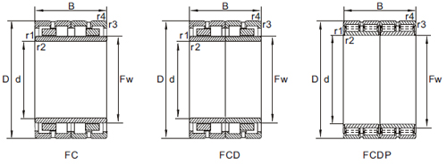
Cilindrische rollagers met vier rijen

  • FC
  • FCD
  • FCDP
  • Ontwerpvarianten
  • Kooi
  • Tolerantie
  • Interne speling

Ningbo DHK precisielager Co., Ltd.

  • 0+

    Jaren ervaring met werken

  • 0+

    Klantenservice

  • 0+

    Gepatenteerde technologie

Ningbo DHK precisielager Co., Ltd. (“DHK” in het kort) is een gespecialiseerde onderneming die zich bezighoudt met R&D, productie en verkoop van lagers, gevestigd in de economische ontwikkelingszone van Ningbo Zhenhai met gemakkelijk transport. Sinds de oprichting zijn 'technologie', 'kwaliteit' en 'service' al meer dan tien jaar altijd de belangrijkste thema's in onze gedachten geweest ten behoeve van de ontwikkeling. Wij bieden betrouwbare producten en speciale op maat gemaakte diensten voor mondiale ondernemingen in de zware industrie en hebben de tevredenheid en goede reputatie verworven van een aantal ondernemingen in binnen- en buitenland.

DHK produceert voornamelijk cilindrische rollagers, conische rollagers, zelfinstellende rollagers, kogellagers, evenals verschillende soorten niet-standaard lagers en lagers met een speciaal behandeld oppervlak. Tot nu toe zijn de lagers van DHK op grote schaal toegepast op gebieden als machinebouw, industriële pompen, werktuigmachines, compressiemotoren, tandwielkasten, windenergie en metallurgie in ontwikkelde Europese en Amerikaanse landen.

DHK beschikt over de meetkamer en inspectiekamer van lagers in de industrie en heeft wereldwijd hoogwaardige inspectieapparatuur geïntroduceerd en het QC-systeem in China opgezet, waardoor de productkwaliteit op een allround manier wordt gegarandeerd.

CERTIFICAAT

DHK heeft de IATF16949-certificering van het kwaliteitssysteem en de ISO14001-certificering van het milieumanagementsysteem doorstaan; en DHK is een nationale hightech onderneming.

  • Certificaat
  • Milieumanagementsysteemcertificaat
  • Certificaat voor managementsysteem voor gezondheid en veiligheid op het werk
  • Meetbeheersysteem
  • Uitvindingsoctrooi1
  • Uitvindingsoctrooi2
  • Uitvinding patent
  • Hightechbedrijven

Laatste nieuws

Uitbreiding van branchekennis over deze categorie

1. Vierrijig cilinderrollager : hoe kunnen we de enorme last van de zware industrie ondersteunen?
In de zware industrie zijn enorme belastingen de norm en daarvoor zijn cilinderrollagers met vier rijen ontworpen. Deze lagers hebben vier rijen cilindrische rollen aan de binnenkant, waardoor ze grotere belastingen kunnen delen. In tegenstelling tot traditionele rollagers verdelen de rollen in een lager met vier rijen de belasting gelijkmatiger, waardoor de spanning op de afzonderlijke rollen wordt verminderd. Bovendien helpt het grotere contactoppervlak tussen de rollen de belasting te spreiden, waardoor het draagvermogen van het lager wordt vergroot. Dit ontwerp elimineert ook de kooi in traditionele rollagers, waardoor wrijving en slijtage worden verminderd.
Door de vorm en het materiaal van de rollen te optimaliseren, kunnen deze lagers onder hoge belastingsomstandigheden een stabiele werking behouden. Bovendien zijn de geometrie van de binnen- en buitenring en de spelingsinstellingen van het lager ook belangrijke factoren bij het garanderen van de verdeling van de belasting en de stabiliteit. Door ons te verdiepen in deze ontwerpprincipes kunnen we beter begrijpen hoe vierrijige cilinderrollagers stabiliteit en betrouwbaarheid bereiken onder enorme belastingen in de zware industrie.

2. Innovatie van lagerontwerp: hoe kan dat? cilinderlagers met vier rijen omgaan met veranderende industriële uitdagingen?
Naarmate de zware industrie groeit, groeien ook de eisen die aan lagers worden gesteld. Vierrijige cilinderrollagers voldoen door hun innovatieve ontwerp aan diverse uitdagingen. Door bijvoorbeeld de geometrie en het materiaal van de rollen te optimaliseren, kunnen lagers wrijving en slijtage bij hoge snelheden verminderen. Het ontwerp van de binnen- en buitenringen is ook zorgvuldig geoptimaliseerd om de stijfheid en stabiliteit van het lager te vergroten, om uitstekende prestaties onder verschillende werkomstandigheden te behouden.
Bovendien zijn vierrijige cilinderrollagers ook geïnnoveerd op het gebied van afdichtings- en smeertechnologie. Deze innovatieve ontwerpen helpen de levensduur van lagers te verlengen en de onderhoudsbehoeften te verminderen. Dankzij een voortdurende inspanning op het gebied van ontwerpinnovatie kunnen deze lagers zich aanpassen aan steeds complexere en zwaardere industriële omgevingen, waardoor langdurige prestaties en betrouwbaarheid worden geboden.

3. Toekomstperspectief: hoe zal de rol van cilinderlagers met vier rijen evolueren in opkomende technologieën?
Met de voortdurende vooruitgang van de industriële technologie hebben opkomende gebieden zoals robotica, automatisering en groene energie nieuwe eisen aan lagers gesteld. Als een van de belangrijkste componenten hebben vierrijige cilindrische rollagers het potentieel om op deze gebieden een grotere rol te spelen? Voldoet het unieke ontwerp aan de behoeften van deze technologische ontwikkelingen?
Op het gebied van de robotica kunnen vierrijige cilindrische rollagers gewrichten en transmissiesystemen ondersteunen, waardoor de precieze beweging en stabiliteit van robots wordt gegarandeerd. In de automatiseringstechniek kunnen deze lagers worden gebruikt in transportbanden, robotarmen en productielijnen, waardoor ze hoge belastingen en een lange levensduur bieden. Op het gebied van groene energie kunnen deze lagers worden gebruikt in systemen voor de opwekking van wind- en zonne-energie, en worden ze gewaardeerd vanwege hun betrouwbaarheid en duurzaamheid onder zware omstandigheden.